房屋渗漏怎么办?小编教你轻松解决各种渗漏问题!
房屋渗漏是客户投诉的重点,而地下室、屋面、厨房、卫生间又是渗漏的重灾区,如何才能打好防水这场战役?看看下面这些详图,就能轻松解决这些问题。
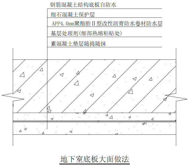
▌一、地下室底板防水做法示意图

1.底板变形缝防水做法

2.底板后浇带防水构造做法

3.高低跨连接处防水做法

4.桩头防水处理
采用水泥基渗透结晶型防水涂料+改性沥青防水涂料+卷材的复合防水做法。:
[防水处理工序如下]:
1.由总承包方凿出桩头至设计标高位置,调整受力钢筋,并切割露出的定位钢筋,并由总承包方用高压水枪冲洗暴露的桩身上的泥土、浮浆、松动的碎石等,并经验收合格。
2.水泥基渗透结晶型防水材料涂刷桩顶表面、暴露的桩身及周圈250mm范围,涂刷参考用量1.2kg/㎡,成膜厚度约1.0mm。
3.在桩头部位收口卷材采用橡胶沥青防水涂料涂抹。
[注意事项]:
1.桩头防水处理的关键是桩头的清理工序,采用高压水枪冲洗桩顶面混凝土能够有效清除混凝土的浮灰泥皮。同时,涂料采用硬毛刷搓揉涂刷。见下图:

▌二、地下室侧墙防水做法
1.地下室底板防水交接处预留做法

2.地下室侧墙抗渗增强处理方法

3.侧壁底板防水接头做法

4.地下室侧墙地面收口做法

5.穿墙管件防水处理
